【導讀】在射頻電路設計領域,Peltz振蕩器以其獨特的雙晶體管架構和穩定的振蕩特性,成為學習高頻電路原理的理想平臺。本次實驗將基于ADALM2000主動學習模塊,完整展示Peltz振蕩器的設計、仿真與實測流程,為電子工程學習者提供一套可落地的實踐方案。
在射頻電路設計領域,Peltz振蕩器以其獨特的雙晶體管架構和穩定的振蕩特性,成為學習高頻電路原理的理想平臺。本次實驗將基于ADALM2000主動學習模塊,完整展示Peltz振蕩器的設計、仿真與實測流程,為電子工程學習者提供一套可落地的實踐方案。

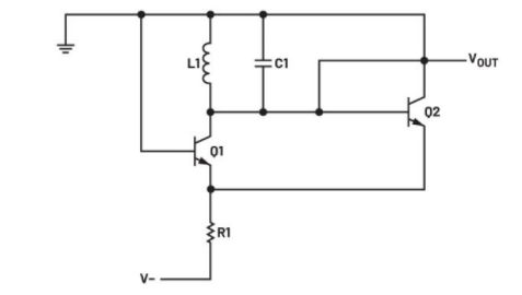
圖1.Peltz振蕩器基本配置
LC諧振電路的諧振頻率由公式1得出。

電路原理深度解析
雙晶體管協同工作機制
Peltz振蕩器采用Q1、Q2兩個晶體管構成的放大-反饋結構。Q1作為共基極放大器,其集電極負載由LC諧振電路(L1+C1)組成;Q2配置為射極跟隨器,形成閉環正反饋。當諧振電路在特定頻率處呈現最大阻抗時,共基極級獲得峰值電壓增益,與射極跟隨器(增益≈1)共同構建大于1的環路增益,實現穩定振蕩。

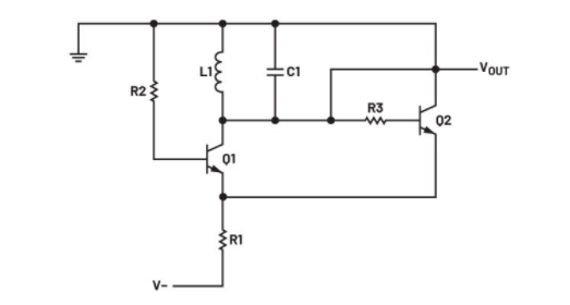
圖2.提高輸出擺幅
輸出擺幅優化策略
基礎配置中,LC諧振電路的峰峰值擺幅受限于晶體管結壓降(約±0.6V)。通過引入基極串聯電阻(R2、R3),在電壓擺幅達到極限時分流基極電流,可有效將輸出擺幅提升至±1.25V以上。這一改進顯著增強了電路的實用性和觀測效果。
實驗實施全流程
仿真預驗證階段
●使用仿真軟件構建圖1、圖2所示電路
●計算偏置電阻R1,確保雙管集電極電流>200μA(-5V供電)
●配置L1(100μH)、C1(100pF),實現>1MHz諧振頻率
●通過瞬態仿真驗證擺幅提升效果,記錄數據用于實測對比
材料
?ADALM2000主動學習模塊
?無焊試驗板
?跳線
?兩個小信號NPN晶體管(2N3904)
?一個10 kΩ電阻
?兩個4.7 kΩ電阻
?一個100 μH電感
?一個100 pF電容

圖3.Peltz振蕩器電路
硬件搭建要點
●按圖3布局在無焊試驗板上組裝電路
●重點檢查電源極性(-5V)及晶體管方向(2N3904)
●示波器通道1連接LC諧振電路,通道2監測發射極波形
●設置采集參數:200mV/div,時基1μs/div,上升沿觸發

圖4.Peltz振蕩器電路試驗板連接
實測數據分析
接通電源后,示波器應顯示穩定的正弦振蕩波形(參考圖5)。通過對比仿真與實測結果,學生可以深入理解:
●實際元件參數與理想模型的差異
●布線分布參數對高頻電路的影響
●晶體管非線性特性的實際表現
實驗教學價值
本實驗將抽象的高頻振蕩原理轉化為可視化的電信號,幫助學生建立從理論計算、仿真驗證到硬件實現的完整工程思維。特別適合作為《高頻電子線路》、《射頻電路設計》等課程的配套實驗,培養學生的電路調試能力和系統分析能力。

圖5.Peltz振蕩器電路波形圖
推薦閱讀:






