【導讀】隨著高性能處理器與FPGA的功率需求持續攀升,傳統單通道電源方案已難以滿足嚴苛的電流供給要求。本文將深入探討多通道PMIC的創新應用方案——通過并聯多個穩壓輸出通道,實現單路大電流輸出的技術路徑。該方案不僅顯著提升了系統的電流供給能力,更通過精密的均流控制確保了優異的電壓調節精度與熱平衡性能。這種創新的電源架構在簡化設計復雜度的同時,有效優化了電路板空間利用率,為數字信號處理器、高端處理器及復雜可編程邏輯器件提供了更為高效可靠的熱管理與電源分配解決方案。
摘要
隨著高性能處理器與FPGA的功率需求持續攀升,傳統單通道電源方案已難以滿足嚴苛的電流供給要求。本文將深入探討多通道PMIC的創新應用方案——通過并聯多個穩壓輸出通道,實現單路大電流輸出的技術路徑。該方案不僅顯著提升了系統的電流供給能力,更通過精密的均流控制確保了優異的電壓調節精度與熱平衡性能。這種創新的電源架構在簡化設計復雜度的同時,有效優化了電路板空間利用率,為數字信號處理器、高端處理器及復雜可編程邏輯器件提供了更為高效可靠的熱管理與電源分配解決方案。
引言
在現代電子系統設計中,電源管理集成電路(PMIC)因其能為復雜電源架構帶來設計靈活性而越來越受到重視。傳統電源解決方案主要關注效率和電壓調節,而PMIC則更進一步,將多個電源軌、時序控制邏輯、故障保護和遙測功能集成于一個緊湊的器件中。多通道PMIC通常用于管理多個電源輸出,每個通道為系統的特定部分提供穩定的電壓。這些器件還可以配置為多相模式,方法是組合多個通道來供應單個大電流軌,從而有效取代單通道大電流調節器。此方法涉及并聯多個通道,以確保各個通道均等分擔負載,防止任何單一通道過載。這種靈活性在需要大電流傳輸,同時保持效率和可靠性的應用中特別有用。此類PMIC通常用于數字信號處理器、處理器、FPGA和微控制器等復雜器件中,其中多個子系統需要不同的功率水平。
為了滿足不同應用的大電流需求,LT7200S采用薄型5 mm × 6 mm、48引腳LQFN封裝,ADP5055和ADP5056采用5.00 mm × 5.50 mm LGA封裝,而且全都具有并聯能力以實現大電流供電。
典型應用
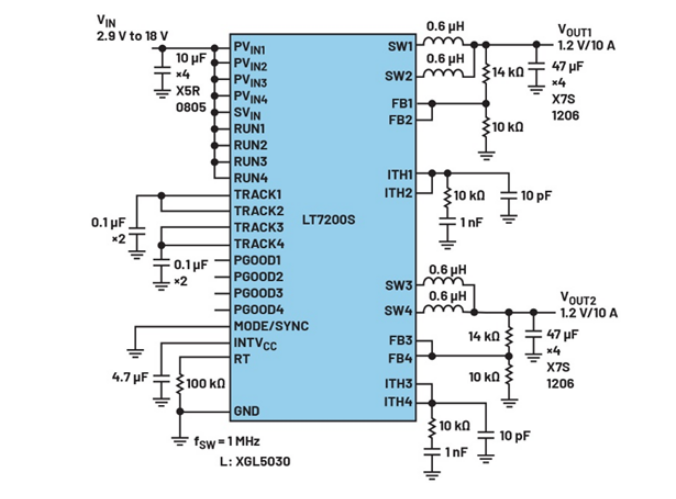
隨著數據速度的提升和工作負載的增長,FPGA和SoC不斷演進,以滿足不斷上升的速度和容量需求。電源也必須隨之發展,在提供更大電流的同時,實現更高的功率密度。此外,簡便性和可靠性同樣重要。對于需要15 A以上電流的系統,可以并聯多個LT7200S穩壓器并錯相運行,確保功率輸送高效穩定。圖1和圖2展示了LT7200S的典型應用原理圖,它支持雙相和四相操作,通過并聯為負載提供更高的輸出電流。這款器件采用四相架構,四個內部同步降壓型穩壓器通道能夠高效并聯。每個通道能夠輸出或吸收±5 A的電流。當四相并聯時,合計可向公共輸出端提供高達±20 A的電流。而這是通過精密電流模式控制實現的,它能確保所有通道間精確均流,從而提升熱平衡和系統可靠性。

圖1.四相并聯,用作20 A單輸出PMIC

圖2.雙相并聯,用作10 A/10 A雙輸出PMIC
這款器件通過PHMODE引腳支持相位交錯,允許每個通道與其他通道錯相運行,從而顯著減少輸入和輸出紋波。此外,MODE/SYNC引腳支持與外部時鐘同步,從而實現協調切換,并盡可能減少敏感應用中的噪聲。
工作頻率可通過外部電阻設置在400 kHz至3 MHz范圍內。用于對開關噪聲敏感的應用時,工作頻率支持外部同步。獨特的“可鎖相、受控導通時間、恒定頻率、電流模式”架構非常適合要求快速瞬態響應的高頻、高降壓應用。
LT7200S采用Silent Switcher? 2技術,憑借創新的設計和封裝工藝,能夠在實現高效率的同時降低電磁干擾(EMI)。得益于這項獨特技術,這些穩壓器對PCB布局變化的敏感度大幅降低,不僅簡化了設計流程,還顯著提升了整體性能表現。
LT7200S性能圖
圖3顯示了四相LT7200S解決方案的效率。四相配置與圖1所示配置類似,開關頻率為1 MHz,電壓從12 V降至1.2 V。它可提供高達20 A的連續負載電流。PHMODE引腳接GND,導致每個通道發生90°相移。這種交錯操作能夠減少輸入電流紋波,使熱負荷在整個電路板上均勻分布,降低對輸入和輸出電容的要求,盡可能減少EMI,并提高系統整體穩定性。為確保在穩態和啟動期間更好地均流,應將ITH、FB和TRACK/SS連接在一起。
這款器件在12 V輸入下實現了88%的峰值效率,并在20 A滿負載電流下保持86%的效率。圖4顯示了LT7200S在12 V降至1.2 V/20 A條件下工作的熱圖像,表明它在四相操作期間實現了良好的均流。

圖3.LT7200S四相效率,12 V降至1.2 V,1 MHz

圖4.LT7200S熱圖像:12 V降至1.2 V,20 A,1 MHz,無氣流,TA = 25°C
類似地,ADP5055和ADP5056在一個43引腳LGA封裝中集成了三個高性能降壓型穩壓器,可滿足嚴苛的性能和電路板空間要求。
這些器件可直接連接高達18 V的輸入電壓,無需使用前置調節器。所有通道均同時集成高邊和低邊功率MOSFET,以優化解決方案的效率。通道1和2提供3.5 A或7 A的可編程輸出電流,或在并聯工作模式下提供高達14 A的單路輸出電流。通道3提供1.5 A或3 A的可編程輸出電流。
ADP5055集成了高精度8位數模轉換器(DAC),可通過兼容PMBus?的雙線接口,實現輸出電壓動態調節(DVS)。PMBus接口提供了其他靈活配置,例如啟動和關斷時序控制、單獨的強制脈寬調制(FPWM)或省電模式(PSM)選擇、輸出放電開關和電源良好信號。這些器件的額定結溫范圍是-40°C至+150°C。
結語
ADP5056、ADP5055和LT7200S等大電流PMIC更適合需要高效、靈活、可靠電源管理的應用,具備高性能、靈活性和高集成度,是電信、數據中心和工業自動化等復雜系統的理想選擇。并聯特性支持多個器件協同工作,從而提升電流能力和可靠性,對于需要可擴展且穩健電源解決方案的客戶至關重要。
推薦閱讀:






