【導讀】監測和控制不同的系統需要能夠直接訪問傳感器和驅動器,最好是從一個中心位置,采用標準化通信方法(例如串行外設接口(SPI))進行訪問。SPI是一種同步串行數據總線,幫助設備和中央控制單元之間進行長距離的數據交換。通信操作遵從主從原則,是全雙工的。SPI接口包含三行:SDI、SDO和SCK。
SPI通信方法適用的線纜距離不超過10米,通信距離更長時,通常需要用到中繼器,這是因為隨著線纜增長,其線纜阻抗相應增加,由此導致信號衰減。然后必須再次放大信號。與此同時,線路會獲得更高的信噪比(SNR)。可利用ADI提供的isoSPI通信接口IC LTC6820 等器件來讀取這些信號。
得益于該器件的創新式設計,可以使用雙絞線電纜和適用的變壓器來增強電氣隔離,由此相對輕松地最大化SPI通信。
由于工業環境通常比較惡劣,所以需要使用電氣隔離通信部件來保護用戶免受危險電壓影響,同時確保系統的可靠性。此外,盡管偶爾會出現共模電壓,隔離也可以幫助實現精確測量。因此,要將輸入級與系統的其余級分隔開來,同時仍然實現連接,隔離柵的使用就非常關鍵。
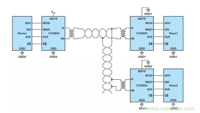
圖1顯示了所有從服務器如何受一個主服務器控制。主服務器和從服務器可以是微控制器或ADC,通常通過自身的SPI接口與傳感器或微控制器連接。因此,LTC6820能夠在兩個完全電氣隔離的器件之間實現SPI通信所需的雙向數據傳輸。它將來自主服務器的SPI信號編碼為速率最高1Mbps的差分信號,然后通過電氣隔離柵和雙絞線傳輸。到了電纜另一端之后,差分信號再次由LTC6820接收并解碼為SPI信號,然后再路由到從服務器總線。LTC6820還提供驅動信號通過隔離柵所需的電流。這些電流通過外部電阻,調整為符合系統要求的值,例如所需的線纜長度、SNR和抗擾度。

圖1. 隔離式SPI接口,通過共用的主控制器來控制多個電路板(從控制器)。
但是請注意,雖然使用了SPI中繼器,數據速率仍是有限的,取決于電纜長度。例如,圖1中使用100米CAT5電纜的電路的數據速率僅為0.5 Mbps左右,是LTC6820所能提供的1 Mbps最大值的一半(見圖2)。

圖2. 使用CAT5電纜時,數據速率與電纜長度的關系。
通過使用 isoSPI 通信IC,可以簡化遠距離隔離傳輸SPI通信信號電路的復雜性,因為可以省去傳統電路通常需要的大量組件。此外,使用LTC6820可以實現最長100米的通信距離(在工業設置中并不少見)。LTC6820還可輕松實現菊花鏈應用(一個主控制器控制多個從控制器)。而且,該器件非常適合電池監測系統應用,這是因為電池監測系統包含部分可能存在爆炸風險的充電單元(例如,鋰離子電池),需要實施電氣隔離通信。
LTC68200
AEC-Q100通過汽車應用認證
1Mbps隔離式SPI數據通信
使用標準變壓器實現簡單的電氣隔離
單條雙絞線上的雙向接口
支持長達100米的電纜
極低EMI敏感性和輻射
針對高抗噪能力或低功耗應用可配置
設計用于ISO26262兼容系統
在大多數SPI系統中無需軟件變更
超低2µA空閑電流
自動喚醒檢測
工作溫度范圍:−40°C至125°C
2.7V至5.5V電源供電
支持1.7V至5.5V的所有邏輯接口
提供16引腳QFN和MSOP封裝





