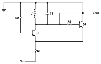
【導讀】不同于常見的單晶體管振蕩器結構(如Clapp、Colpitts和Hartley),Peltz振蕩器采用獨特的雙晶體管設計。在圖1所示的基本配置中,晶體管Q1構成共基極放大級,其集電極負載由L1和C1組成的LC諧振電路提供。該級的輸出信號被饋送至第二個晶體管Q2的基極,Q2配置為射極跟隨器(共集電極結構)。通過將Q2發射極的輸出信號反饋回Q1的發射極輸入端,形成了維持振蕩所需的正反饋回路。

圖1
工作原理分析
共基極放大級的電壓增益在LC諧振電路的并聯諧振頻率處達到最大值,此時電路阻抗接近無窮大。雖然射極跟隨器級的增益始終略小于1,但在諧振頻率處,整個環路的凈增益將遠大于1,從而確保振蕩的建立和維持。
LC諧振電路的諧振頻率由標準諧振公式決定:
輸出擺幅限制與改進
該振蕩器的一個顯著特點是LC諧振電路的輸出電壓擺幅受到嚴格限制。當Q2基極電壓正向擺動超過地電位時,Q2的集電結將變為正向偏置,將最大正向擺幅限制在約0.6V(一個二極管壓降)。同樣,當Q1集電極負向擺動足夠大時,也會出現類似的限制。
為了擴展輸出電壓擺幅,可在Q1和Q2的基極引入串聯電阻(如圖2所示)。當諧振回路電壓接近極限值時,流經這些電阻的額外電流將降低晶體管的基極電壓,從而有效提高可用輸出擺幅。

圖2
仿真分析要求
構建圖1和圖2所示的Peltz振蕩器仿真電路
計算偏置電阻R1,確保在-5V電源下,Q1和Q2的集電極電流均大于200μA
選擇L1和C1值,使諧振頻率不低于1MHz
進行瞬態仿真,驗證基礎電路的輸出擺幅限制在約±0.6V
優化R2和R3阻值(R2 = R3),將輸出擺幅提升至至少±1.25V
實驗材料
ADALM2000主動學習模塊
無焊試驗板及連接線
2N3904 NPN晶體管 ×2
電阻:10kΩ ×1,4.7kΩ ×2
100μH電感 ×1
100pF電容 ×1
實驗電路搭建
按照圖3所示在無焊試驗板上構建Peltz振蕩器電路。特別注意標注的測試點與ADALM2000模塊的連接關系。通電前務必仔細檢查所有連接。

圖3
測量設置
示波器雙通道均設置為200mV/div
時基:1μs/div
觸發模式:通道1上升沿觸發

實驗步驟
接通-5V電源,在示波器通道1觀察LC諧振電路輸出波形
使用通道2監測Q1和Q2發射極的波形特性
記錄測量結果,與仿真數據進行對比分析
如需要,調整電路參數以優化性能

該實驗通過理論分析、仿真驗證和實際測量的完整流程,深入展示了Peltz振蕩器的工作特性和性能優化方法。




