中心議題:
- 護欄燈解決方案
解決方案:
- 利用16路恒流LED驅動IC實現護欄燈解決方案
LED護欄燈是以熒光燈管或LED作為光源,以連續的護欄為載體,形成近似線性的護欄燈帶。有紅/黃/綠/藍/白 /紫/青/七彩等顏色,通過IC控制,可實現漸變、跳變、色彩閃爍、隨機閃爍、漸變交替、追逐、掃描等流動顏色變化。護欄燈特別適合應用于廣告牌背景、立交橋、河、湖護欄、建筑物輪廓等大型動感光帶之中,可產生彩虹般絢麗的效果。
本文主要介紹基于16路恒流LED驅動芯片的護欄燈解決方案。該方案主要由以下幾部分組成:(1)以STC11F02單片機為主的主控電路,其主要功能是產生SPI控制信號;(2)以LN0134為核心的LED驅動電路,其主要功能利用它的16通道恒流來帶載LED;(3)電源輸入電壓轉換電路、供給LED電源電路,其主要是完成對電路保護、芯片供電、LED燈供電等功能。
主要芯片功能簡介
LN0134是南麟電子開發的一款16路恒流LED驅動芯片,該芯片內建了16位CMOS移位寄存器和輸出鎖存器,可以將輸入的串行數據轉化成并行輸出格式,從而控制16個輸出電流源,在每個輸出端可以不受負載影響提供3~45mA的恒定并且一致的電流用以驅動LED。通過調整外接電阻的大小可調整輸出電流,從而輕松控制 LED的發光亮度,也可以通過在使能端(OE)輸入PWM信號來調整所有LED的平均電流。同時它還支持SPI通信協議,使得我們很容易控制通信的數據,因此它成為驅動LED的最佳IC之一。
STC11F02單片機內部嵌有2K的FLASH程序存儲空間和256B的SRAM存儲區;該芯片擁有先進的指令集結構,兼容普通的8051指令集,具有硬件乘法和除法指令,而且無需編程器和仿真器,可以遠程升級。本方案利用其高速、低成本、精簡的I/O口的優勢,模擬出SPI協議實現對其他IC 的通信控制。
護欄燈設計方案
1) 硬件電路設計與原理
該方案的基本原理是:單片機模擬SPI協議,通過發送數據到LN0134驅動芯片內,由LN0134內部硬件電路實現數據的串入并出,驅動 16×3顆LED,然后通過改變數據來控制LED燈的變化,實現不同的LED燈的組合,如:流水燈、對閃爍、跳變、呼吸等效果。本方案電路是在硬件環境 PADS下完成的,為了節約成本,所生成的PCB文件也都是單面板。
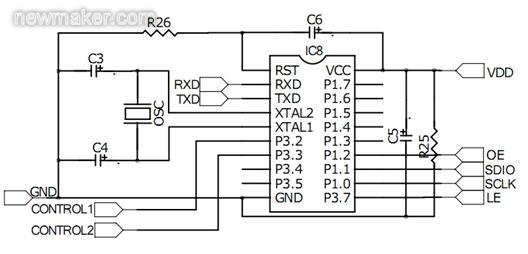
2) MCU控制信號電路
圖1是MCU控制電路圖。由主控芯片產生的控制信號有:(1)SPI控制信號,包括:OE、SDIO、SCLK、LE四個端口;(2)LED電源使能信號,包括:CONTROL1、CONTROL2兩個端口。

MCU控制電路圖
3) LN0134應用電路
LN0134應用電路如圖所示。LED驅動芯片接收單片機發送的SPI信號,不同的SDIO數據,會得到不同的OUT0至OUT15的數據,從而驅動LED產生不同的變化效果。LN0134芯片支持多芯片級聯,通過數據口SDO端,連接下一個芯片的SDI端口,以此類推。長距離的護欄燈方案設計,只需要將一個個小單元級聯起來就能完成。設置R30的阻值可改變輸出電流值,從而省去了多路限流的麻煩。

LN0134應用電路圖
4) 電源供給電路
電源供給電路如圖所示。本電路支持12V至15V的輸入電壓,經過整流橋可避免正負極的接反。經過IC1可得到5V的供電電壓,為單片機和 LN0134芯片提供了電源;經過IC2~IC6可完成對LED燈組的供電,并由單片機提供的CONTROL1和CONTROL2口來控制POVER1和 POVER2供電的關和開。

供電電路圖
[page]
5) 軟件設計
軟件設計是整個方案的經脈,它直接決定了整個方案的運行質量和效率,同時是體現出方案的功能及可靠性。STC11F02芯片的片內程序是在軟件開發環境Keil uVision2下進行編寫的,該程序的重點在于模擬SPI通信協議,理論設計的時序波形如圖所示。軟件代碼由C語言實現,通過示波器觀測到單片機模擬出來的SPI波形如圖5所示。其中Tek1為SDI;TeK2為CLK;TeK3為LE;TeK4為OE,滿足設計要求。

SPI時序圖

SPI波形
首先將SPI模擬程序模塊化,主要是為了方便調用;在整個流程中改變最多的是緩沖器內的數據,數據改變,相應的顯示效果就會變化;連續的數據變化產生了不同的點燈,這也就展現了護欄燈多彩耀眼的特色。
本文小結
本護欄燈設計方案是1米長的單元模塊,更長的護欄距離需要將這些小單元級聯起來,提高控制信號的驅動能力即可。選取16通道的LN0134芯片是為了提高LED燈的數量,依照芯片的性能參數,改變電源的供給電路可更好地擴展應用電路,驅動更多LED燈。選取STC11F02芯片是為了節約成本,簡化主控單元。本方案總體設計遵循了可靠、簡單、實用的原則,為更多的護欄效果提供了借鑒和幫助。



