【導讀】本文介紹如何使用降階隆伯格觀測器(ROLO)估算永磁同步電機(PMSM)的轉 子磁鏈位置。首先介紹特征值與穩定性的關系;在此基礎上,引入狀態反饋控制 的理念;接著介紹如何使用該理念來設計隆伯格觀測器;然后,以 PMSM 為例, 推導 ROLO 的設計過程,給出設計結果;最后,介紹 Microchip 的相關電機控制方 案(評估套件、例程和文檔等)。
摘要
本文介紹如何使用降階隆伯格觀測器(ROLO)估算永磁同步電機(PMSM)的轉子磁鏈位置。首先介紹特征值與穩定性的關系;在此基礎上,引入狀態反饋控制的理念;接著介紹如何使用該理念來設計隆伯格觀測器;然后,以 PMSM 為例,推導 ROLO 的設計過程,給出設計結果;最后,介紹 Microchip 的相關電機控制方案(評估套件、例程和文檔等)。
一、 概述
永磁同步電機(PMSM)的磁場定向控制(FOC)在近十幾年成為了主流的電機控制方法。其中,無位置傳感器 FOC 由于其低成本和高可靠性,獲得了越來越多的應用和關注。由于沒有位置傳感器,所以必須估算轉子磁鏈位置。由于在旋轉過程中,轉子磁鏈生成反電動勢(BEMF),并且 BEMF 超前轉子磁鏈 弧度,所以
可以利用對 BEMF 進行觀測,進而估算轉子磁鏈。降階隆伯格觀測器(ROLO)是一種常用的 BEMF 觀測手段。
一方面,工程師可能不具備設計觀測器所需的背景知識;另一方面,產品開發項目必須盡快且高質量地完成。盡管可以找到背景知識的相關教材,但由于其缺少針對性,所以工程師不得不花費大量時間進行學習。該矛盾經常成為制約產品開發進度和質量的瓶頸。針對此困境,ROLO 由于其原理簡單,成為了能短時間掌握的優選方案。
本文針對 PMSM 控制所需,篩選出最少量的必需知識,按照邏輯順序闡述利用ROLO 觀測 BEMF 的原理。此外,還介紹了 Microchip 的相關電機控制方案。讀者可以借此快速掌握原理,并且上手實踐和熟悉。
二、 特征值與穩定性
常微分方程(ODE)是時間確定性系統的一種抽象模型。PMSM 可以看作是一個線性時間確定性系統,因此可以用線性常微分方程來建模。
考慮以下的一般線性 ODE:
考慮以下的一般線性 ODE:


三、 狀態反饋控制

四、 隆伯格觀測器
考慮以下系統:



五、 觀測 PMSM 的 BEMF



六、 Microchip 的 ROLO 方案
Microchip 的基于 ROLO 的 PMSM 無傳感器控制方案提供例程、評估套件、開發工具和幫助文檔。
例程位于 MPLAB® Harmony 3 的 motor control 模塊中,是一個運行在 Cortex®-M0+MCU(SAMC21)之上的 MPLAB X 工程:pmsm_foc_rolo_sam_c21。
該演示方案可以運行于 MCLV2 低壓電機控制評估套件或 MCHV3 高壓電機控制評估套件。兩款評估套件均可在 Microchip 官網搜索并訂購。
該例程利用圖形化配置工具 MPLAB Harmony 配置器(MHC)生成。使用 MPLAB XIDE 打開該工程,并打開 MHC,就可以看到 CPU 和所需片上周邊(PWM 模塊和ADC 等)的配置情況,如< 圖 1. 例程的 MHC 配置 >所示。
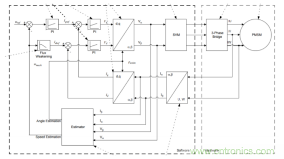
相應的幫助文檔也位于 MPLAB Harmony 3 的 motor control 模塊中。其中介紹了如何搭建硬件平臺、編譯和下載工程、算法原理框圖、軟件流程圖、軟件配置方法等,如< 圖 2. 電機控制算法框圖 >、< 圖 3. 軟件流程圖 >、< 圖 4. 軟件配置方法:電機參數宏定義列表 >和< 圖 5. 低壓電機控制硬件連接 >所示。

< 圖 1. 例程的 MHC 配置 >

< 圖 2. 電機控制算法框圖 >

< 圖 3. 軟件流程圖 >

< 圖 4. 軟件配置方法:電機參數宏定義列表 >

< 圖 5. 低壓電機控制硬件連接 >
七、 總結
本文從 PMSM 的 ODE 模型開始,逐步介紹了基于 ROLO 的 BEMF 觀測器的設計理念和方法;并且介紹了 Microchip 的相關方案。讀者可以利用這些資源快速掌握原理并上手實踐、熟悉 PMSM 的無傳感器控制方法,以加快項目開發進度和提升產品性能。
免責聲明:本文為轉載文章,轉載此文目的在于傳遞更多信息,版權歸原作者所有。本文所用視頻、圖片、文字如涉及作品版權問題,請電話或者郵箱聯系小編進行侵刪。






